
聯系人:趙經理
手 機:18915198233
電 話:0517-86985588
地 址:江蘇省金湖縣戴樓工業集中區
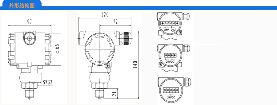
FX-DGPB系列單晶硅壓力變送器采用先進的的單晶硅傳感器,其測壓元件傳感器感受的壓力通過微處理器將物理信號轉變成標準信號(通常為4~20mA)傳送給顯示報警儀、記錄儀、調節器等二...

| FX-DGP | 單晶硅壓力變送器 |
| B | 標準型 |
| 代 碼 | 輸出信號 |
|
E S |
4~20mA+HART協議數字通訊 4~20mA |
| 代 碼 | 測量量程 |
|
1 2 3 4 5 |
-100~0~100KPa 0~0.6~1.6MPa 0~2.5~6MPa 0~10~25MPa 0~40~60MPa |
| 代 碼 | 接液部分材質(其它材質訂貨時說明) |
| S | 本體(FXS14A)、膜盒(SUS316L)、排氣螺釘(SUS316) |
| 代 碼 | 安裝連接螺紋 |
|
M N G |
M20*1.5 NPT1/2 G1/2 |
| 代 碼 | 顯示方式 |
|
N M3 |
無表頭 LCD顯示表頭 |
| 代 碼 | 電氣接口 |
|
M N G |
M20*1.5 NPT1/2 G1/2 |
| 代 碼 | 安裝支架 |
|
N C |
無支架 L型支架 |
| 代 碼 | 附加選項 |
|
H MF MC J L Z2 |
高溫散熱器 隔膜法蘭 衛生型卡盤 截止閥 冷凝圈 二閥組 |
| 代 碼 | 防爆要求 |
|
d a |
隔爆 本安 |
| 量程:0~□□□MPa(KPa) | |
Copyright ? 2022-2024 江蘇飛翔儀表有限公司 All Rights Reserved. 蘇ICP備2021035707號-1 XML地圖
技術支持:飛翔儀表