
聯系人:趙經理
手 機:18915198233
電 話:0517-86985588
地 址:江蘇省金湖縣戴樓工業集中區
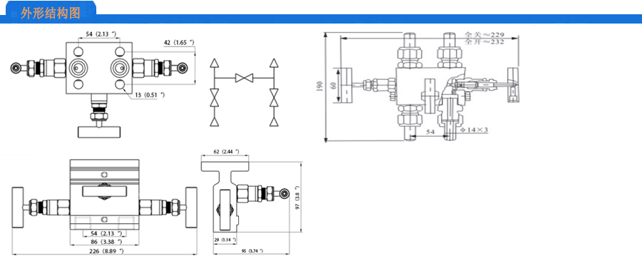
三閥組是由三個互相溝通的三個閥組成。根據每個閥在系統中所起的作用可分為:左邊為高壓閥,右邊為低壓閥,中間為平衡閥。三閥組與差變送器配套使用,作用是將正、負壓測量室與...

Copyright ? 2022-2024 江蘇飛翔儀表有限公司 All Rights Reserved. 蘇ICP備2021035707號-1 XML地圖
技術支持:飛翔儀表