
聯系人:趙經理
手 機:18915198233
電 話:0517-86985588
地 址:江蘇省金湖縣戴樓工業集中區
FX-LGBA阿牛巴流量計是均速管流量計的一種(又稱笛形均速管流量計),是根據皮托管測速原理發展起來的一種差壓流量檢測式元件,它輸出為差壓信號,與測量差壓的儀器儀表配套...

| FX-LGB | 均速管流量計 |
| 代 碼 | 節流類型 |
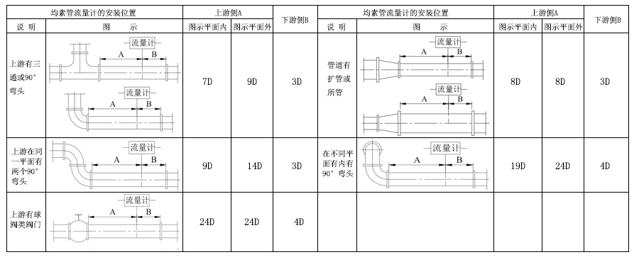
|
A W D |
阿牛巴流量傳感器 威力巴流量傳感器 德爾塔巴流量傳感器 |
| 代 碼 | 管道口徑 |
|
25 … 6000 |
DN25 … DN6000 |
| 代 碼 | 工作溫度 |
|
2 5 |
≤200℃ ≤500℃ |
| 代 碼 | 工作壓力 |
|
1 2 3 4 5 |
PN1.6 PN2.5 PN4.0 PN6.3 PN16 |
| 代 碼 | 安裝方式 |
|
1 2 3 4 |
螺紋連接 法蘭連接 管段式帶補償 法蘭球閥式 |
|
代 碼 F H |
安裝方式 法蘭式 焊接式 |
| 代 碼 | 安裝附件(可復選) |
|
0 1 2 3 |
無 截止閥 三閥組 冷凝罐 |
| 代 碼 | 測量附件(可復選) |
|
C L Y W |
差壓變送器 流量積算儀 壓力傳感器(壓力補償用) 溫度傳感器(溫度補償用) |
| 注:所有差壓式流量計需要提供完整數據:被測介質、管道口徑、流量范圍、工作溫度、工作壓力等,以便出具節流裝置計算書。 | |
Copyright ? 2022-2024 江蘇飛翔儀表有限公司 All Rights Reserved. 蘇ICP備2021035707號-1 XML地圖
技術支持:飛翔儀表